Solutions for the retail petroleum industry    
Fuel & Gas Dispensers Manufacturing, Sales & Distribution    
English عربي
 
PRODUCTS
  Pulser   << BACK FORWARD >>
Request For Quote
 
 
Output waveform
 
 
 
 
Technical Specification
 
High resolution Pulser  
The CK series pulser adopted the best circuits and configurations from all over the
world,It is designed by ourself with multi-mode . It have the excellence with rational structure, exquisite appearance, reliable performance. it equip with all kinds of mechanical connecting fitting, also can be matched with all kinds of world
famousbrands of flow meter for fuel dispenser.

Features
 
High resolution?with 100 High-precision slots, the Duty cycle of Photoelectric code wheel is 1:1, and is homocentric to the input shaft. The infrared light Launch and receivers adopt the integrated two-channel Optocouplers which made in Japan. Once the input shaft rotate 360 degree(a circle),the pulser also can separately output two-channeleach 50 pulse signal.( It can be customized two-channel each 100 pulse of pulser)
Intelligentize : It adopts special CPU to deal with the photoelectric signal by wiping off dithering and reshaping .It output two different phase relations square waves from the fan-out of pulser . Also the CPU can provides the fault monitor signal output of pulser.
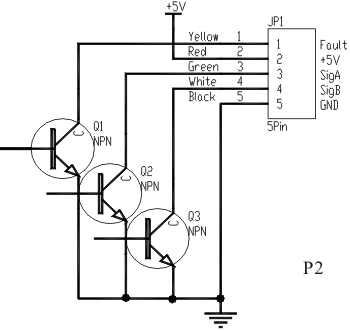
Electrical Connections

Working voltage: DC 5V. Current consumption: <30mA . OC output: withstand voltage>30V
Note : All signal output is OC output of NPN switch dynatron, if necessary it can links pull up resistance with 1K-10K ohm .
(See P 2 below)

1. Fault, output signal failures, low level= Normal, high level= pulser failure
2. +5V, Connect to 5V power supply
3. Sig A, output single A
4. Sig B, output single B
5. GND, signal and grounding.
 
             
          FUEL DISPENSERS   GAS DISPENSERS MANAGeMENT SYSTEMS SPARE PARTS SUPPORT CONTACT US
          Fuel Dispensers (Series A) Fuel Dispensers (IC Card) Gas Dispensers (LPG) LT Management Spare Parts (Fuel) Sales Network Member Login
          Fuel Dispensers (Series B) Fuel Dispensers (ID Card) Gas Dispensers (CNG) IC Card Management Spare Parts (Gas) Member Info Human Resources
          Fuel Dispensers (Series C) Fuel Dispensers (Multimedia) Gas Dispensers (LNG) ID Card Management Tank Gauging System Member Assist Contact us
          Fuel Dispensers (Series W) Fuel Dispensers (Mechanical)   High Flow (EFMC) Dealer Application
          Fuel Dispensers (Series Z) Fuel Dispensers (LED)  
          Fuel Dispensers (Series O) Fuel Dispensers (Mobile Series)